CONTENTS MENU

フロアリフト整備システム AFLシリーズ

      
製品詳細
仕様
納入事例
      
小型車から大型車まで、1台のフロアリフトで多車種の整備に対応!

どんなクルマにもスムーズに対応できるフロアリフトと多様な周辺機器を自由に組合せ、お客様の用途に応じたサービス環境をトータルプロデュースします!

乗用車向け
大型車向け
製品カタログダウンロード

車種や作業に合わせて使い方自由!マルチ整備システム

どんなクルマにもスムーズに対応できるフロアリフトと多様な周辺機器を自由に組合せ、
お客様の用途に応じたサービス環境をトータルプロデュースします!

FLOOR LIFT_AFL-icon1.jpg

作業に合わせて自在に対応するフロアリフトが、分割して便利に!

小型車から大型車まで、整備する車の横幅に合わせて使用する側を選べるので、1台のフロアリフトで
多車種の整備が効率良くできます。

組み合わせて使用すれば作業性がグンと向上!

テストリフト

中・大型車のクイック整備に力強い味方!

・軽量化したアタッチメントは作業員の負担を軽減します。
・片手でも操作がラクなフローティング式スライドアーム。

ピットリフト

用途に応じて選べるピットリフト!

※作業の際は必ずリジッドラック等で車両保持を行ってください。組み合わせなど、詳しくは最寄りの営業所

仕様

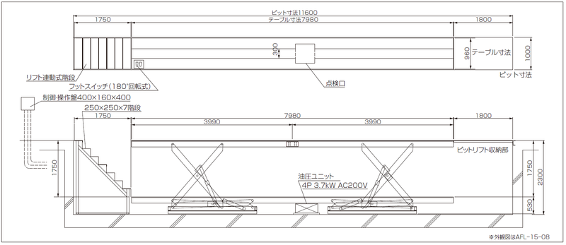
型     式AFL-15-08AFL-15-10AFL-15-12
能  力 (kg) 1,500
揚  程 (㎜) 1,750
上昇時間 (s) 45
駆動方式 電動油圧
電  源 (V/kW) 3相200/3.7
テーブル面寸法 (mm) W960×L7,980 W960×L9,980 W960×L11,980

※2分割タイプ、3分割タイプは特殊製作品のため、詳細は最寄の支店または営業所にお問い合わせください

外観図

flooalift_2.png

納入事例

山形いすゞ自動車株式会社 東根営業所様

並列したフロアリフトの地下ピットを連結
並列したフロアリフトの地下ピットを連結することで新たに地下空間を確保。


地下ピットにはさまざまな周辺機器を格納
地下ピット内に、オイルドレンなどの周辺機器や回転工具台車などの収納機器を配置することで、工場の地上面に物が散乱せず、工場美化を実現し、作業性も向上。

AFL.jpg
メールでのお問い合わせ
メールマガジンのご登録
最寄の支店・営業所
よくあるご質問
よくあるご質問
Copyright (C) ANZEN MOTOR CAR CO., LTD. All Rights Reserved.